Description
Moteur électrique 180W triphasé (0.18 kW – 1/4 cv) 3000 tr/min 230/400V fixation à pattes B3
Moteur à cage d’écureuil IP55 (norme CEI) de construction robuste répondant aux besoins des clients industriels et agricoles les plus exigeants. Econome en énergie, ce moteur doté d’une carcasse aluminium avec boîte à borne orientale est équipé de roulements de marques renommées comme SKF, FAG ou NSK. Ce moteur électrique 180W est livré avec son presse étoupe monté et sa clavette. Son bobinage de classe F permet de l’utiliser avec ou sans variateur de fréquence.
Existe aussi en version à bride B5 ou B14 et avec pattes et bride B35 et B34.
Données techniques:
Marque: AC Motoren GmbH
Moteur triphasé type ACA63A-2
Carcasse aluminium
Fixation B3 (à pattes)
Empattement: A (largeur)=100mm x B (longueur)=80mm
Arbre : Ø = 11 mm x l=23 mm
Boîte à borne orientable
Poids (kg) 4,30
Puissance: 0.18 kW (0.24cv) – Fréquence 50 Hz
Tension 50Hz 220-240/380-420 V
Courant nominal 50Hz (A) 1,07/0,62
Vitesse de rotation du moteur 2800 tr/min
Protection IP55
Vous pouvez trouver plus d’informations dans l’article comment choisir un moteur électrique?
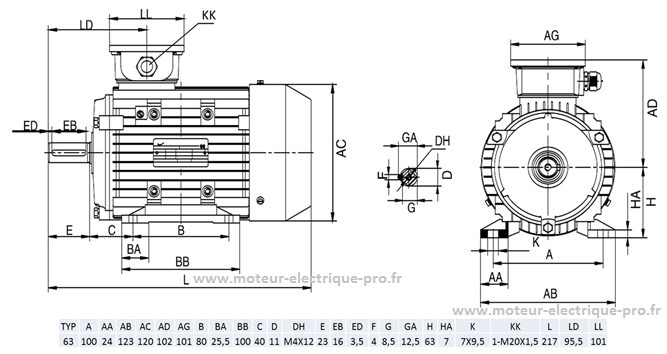
Le plan du moteur est donné ci-dessous à titre indicatif :
Dimensions non contractuelles
Données techniques détaillées:
Marque AC Motoren GmbH
Moteur triphasé Type ACA63A-2
Hauteur d‘axe 63
Version B3
Matériaux de la carcasse Aluminium
classe d’isolation F
Positionnement boîte à bornes Au dessus DE
Orientation boîte à bornes 0°
Poids (kg) 4,30
Sens de rotation droite /gauche
Classe de vibrations A
refroidissement IC411
Exécution selon IEC 60034-1
valeur limite de bruit IEC 60034-9
Puissance 50Hz (kW) 0,18
Fréquence (Hz) 50
Tension 50Hz (V) 220-240/380-420
Mode de commutation Δ/Y (triangle / étoile)
Nombre de pôles 2
Rendement 100% 50Hz (%) 52,8
Facteur de puissance 0,8
Courant de démarrage (Ia/In) 5,5
Couple de démarrage (Ma/Mn) 2,2
Facteur couple de décrochage (Mk/Mn) 2,3
Courant nominal 50Hz (A) 1,07/0,62
Couple nominal (Nm) 0,61/0,63
Vitesse de rotation du moteur (tr/min) 2800
roulement côté entraînement 6201.ZZ.C3
roulement côté non entraînement 6201.ZZ.C3
Type de roulement entraînement Palier libre
Type de roulement non entraînement Palier libre
durée de vie nominal des roulements (h) 20000
charge radiale admissible (X/2) (N) 300
charge radiale admissible (X0) (N) 325
charge radiale admissible (Xmax) (N) 275
charge axiale admissible (N) 250
charge axiale admissible axe vertical (N) 235
Moment d’inertie (kgm²) 0,00055
Mode de fonctionnement S1
Température ambiante (°C) -20° à +40°
Altitude max. (m) 1000
Peinture RAL7030
Finition surfacique Brillant
Protection IP55
Taille presse-étoupe (câble) 1xM20x1,5
Type presse-étoupe Standard
Bout d‘arbre (mm) 11 x 23
Matériaux de l‘arbre C45
Ventilateur Plastique
