Description
Moteur 220V mono 0.18 kW 1500 tr/min B3 fixation à pattes B3
Moteur 220V mono 0.18 kW avec condensateur permanent, de construction robuste il répond aux besoins des clients industriels et agricoles les plus exigeants. Econome en énergie, ce moteur est doté d’une carcasse en aluminium qui offre protection IP55 ce qui permet de l’utiliser en extérieur et dans des environnements poussiéreux. Les roulements de ce moteur sont de marques renommées comme SKF, FAG ou NSK. Le produit est livré avec son presse étoupe monté et sa clavette. Le moteur peut tourner dans les deux sens selon la position des barrettes dans la boite à bornes. Disponible aussi en version à bride B5 ou B14 et avec pattes et bride B35 et B34.
Moteur 220V mono 0.18 kW 1500 tr/min B3 – Données techniques:
Marque: AC Motoren GmbH
Carcasse Aluminium
Type : ABS63B-4
Moteur triphasé hauteur d’axe 63mm
Code article: AMMOT000569
Moteur asynchrone – rotor à cage d’écureuil
Puissance: 0.18 kW soit 0.25 cv
Vitesse : 1500 tr/min
Nombre de pôle : 4
Tension d’alimentation : 230 V 50Hz
Nombre de condensateur : 1
Fixation B3:
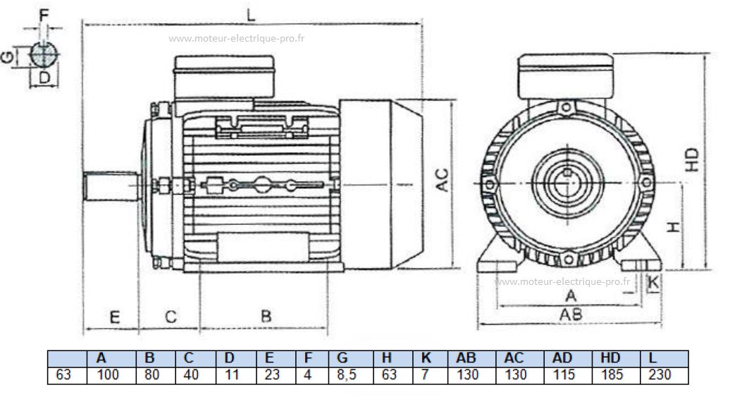
Empattement : largeur 100mm x longueur 80mm
arbre Ø = 11mm l=23 mm
Boîte à borne orientable
Classe IP55
Classe d’utilisation: S1
Facteur de puissance : 0.90
Courant nominal : 1.62 A
Exécution en classe d’isolement F
Poids moteur 4.5 kg (hors emballage)
Le plan du moteur est donné ci-dessous à titre indicatif :
Dimensions non contractuelles
Pour en savoir plus sur le branchement de ce moteur n’hésitez pas à consulter notre blog et à cliquez ici.
Vous pouvez aussi trouver plus d’information sur les moteurs électriques et les normes en lisant notre page sur les moteurs électriques dans notre rubrique infos techniques.
Attention : les moteurs électriques monophasé ne sont pas compatibles avec les variateurs de fréquence. Si vous devez modifier la vitesse nous préconisons l’utilisation d’un moteur triphasé et d’un variateur mono tri.
