Description
Moteur 5.5kw triphasé IE3 (7.37 cv) 4 pôles 400/690V fixation à pattes et/ou bride à trous taraudés B34/B14
Moteur à cage d’écureuil IP55 (norme CEI) de construction robuste répondant aux besoins des clients industriels et agricoles les plus exigeants. Ce moteur à très haut rendement énergétique est doté d’une carcasse aluminium avec boîte à borne orientale. Le rotor est monté sur des roulements de marques renommées comme SKF, FAG ou NSK. Ce moteur 5.5kw est livré avec son presse étoupe monté et sa clavette. Son bobinage de classe F permet de l’utiliser avec ou sans variateur de fréquence.
Existe aussi en version à pattes B3, à bride B5 et avec pattes et bride B35.
Données techniques:
Marque: AC Motoren GmbH
Moteur triphasé type FCPA132S-4 / PHE (avec pattes montées) ou type FCA132S-4 / PHE (avec pattes démontées)
Carcasse aluminium
Fixation B34 (à pattes et bride):
Empattement: A (largeur) 216mm x B (longueur) 140mm
Bride FT165: 200 – 165 – 130 mm
Fixation B14 (à bride)
Bride FT165: 200 – 165 – 130 mm
Carcasse aluminium
Arbre : Ø = 38 mm x l=80 mm
Boîte à borne orientable
Poids (kg) 48
Puissance: 5.50 kW (7.37 hp) – Fréquence 50 Hz
Tension 50Hz (V) 400/690
Courant nominal 50Hz (A) 10,67/6,19
Vitesse de rotation du moteur 1460 tr/min
Protection IP55
Pour plus d’information vous pouvez consulter notre rubrique sur les moteurs électriques.
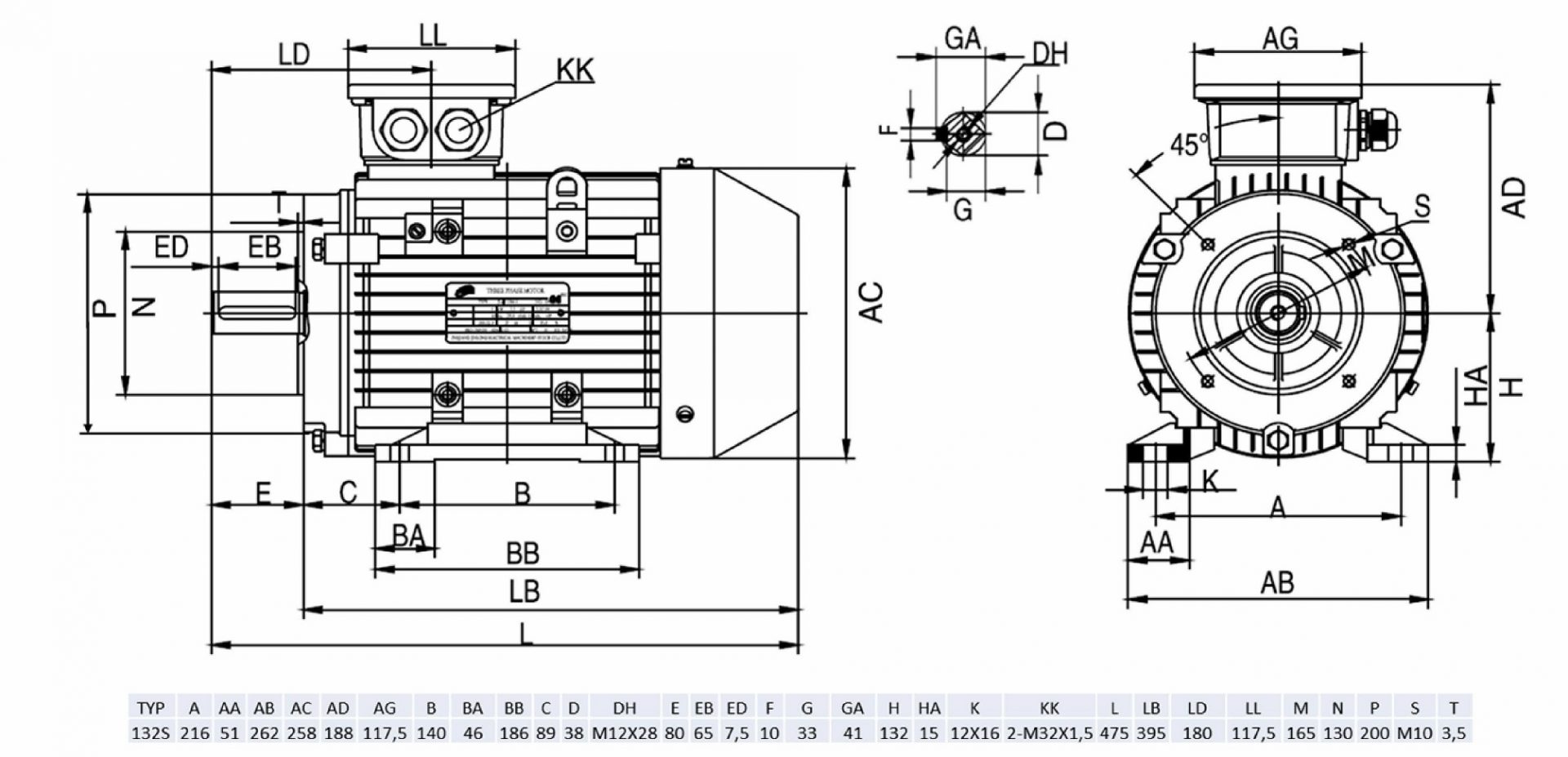
Le plan du moteur est donné ci-dessous à titre indicatif :

Dimensions non contractuelles
Données techniques détaillées:
Marque: AC Motoren GmbH
Moteur triphasé type FCPA132S-4 / PHE (avec pattes montées) ou type FCA132S-4 / PHE (avec pattes démontées)
Hauteur d‘axe 132
Version B34
Version carcasse S
Matériaux de la carcasse Aluminium
classe d’isolation F/B
Positionnement boîte à bornes Au dessus DE
Orientation boîte à bornes 0°
Poids (kg) 48,00
Sens de rotation droite /gauche
Classe de vibrations A
refroidissement IC411
Exécution selon IEC 60034-1
valeur limite de bruit IEC 60034-9
Puissance 1 50Hz (kW) 5,50
Fréquence (Hz) 50
Tension 50Hz (V) 400/690
Tolérance/Fréquence de tension
Mode de commutation Δ/Y (triangle / étoile)
Nombre de pôles 4
Rendement 100% 50Hz (%) 89,6
Rendement 75% 50Hz (%) 89,6
Rendement 50% 50Hz (%) 87,8
Facteur de puissance 0,83
Courant de démarrage (Ia/In) 7,5
Couple de démarrage (Ma/Mn) 2
Facteur couple de décrochage (Mk/Mn) 2,3
Courant nominal 50Hz (A) 10,67/6,19
Classe de rendement 50Hz IE3
Couple nominal (Nm) 35,98/35,98
Vitesse de rotation du moteur (tr/min) 1460
roulement côté entraînement 6308.ZZ.C3
roulement côté non entraînement 6308.ZZ.C3
Type de roulement entraînement Palier libre
Type de roulement non entraînement Palier libre
durée de vie nominal des roulements (h) 20000
charge radiale admissible (X/2) (N) 1650
charge radiale admissible (X0) (N) 1850
charge radiale admissible (Xmax) (N) 1450
charge axiale admissible (N) 1450
charge axiale admissible axe vertical (N) 1400
Moment d’inertie (kgm²) 0,025
Mode de fonctionnement S1
Température ambiante (°C) -20° à +40°
Altitude max. (m) 1000
Peinture RAL7030
Finition surfacique Brillant
Protection IP55
Taille presse-étoupe (câble) 1xM32x1,5
Type presse-étoupe Standard
Bout d‘arbre (mm) 38 x 80
Matériaux de l‘arbre C45
Ventilateur Plastique