Description
Motoréducteur roue et vis Transtecno CM063 800W 24V continu 56tr/min
Réducteur et moteur 24V Transtecno 800W réalisé par l’assemblage d’un réducteur et d’un moteur continu. Le réducteur est étanche et lubrifié à vie par une huile synthétique longue durée. L’ensemble peut se monter dans toutes le positions aussi bien verticales que horizontales. De plus, il peut être piloté avec un variateur de vitesse spécifique. Enfin, vous pouvez vous procurez en option sur notre site des kits de sortie: bride, arbre plein simple et double et bras de réaction pour votre Réducteur et moteur 24V.
Réducteur et moteur 24V – ECM600-63 roue et vis Transtecno 800W – Données techniques:
Type ECM600-063
Réducteur
- Transtecno CM063
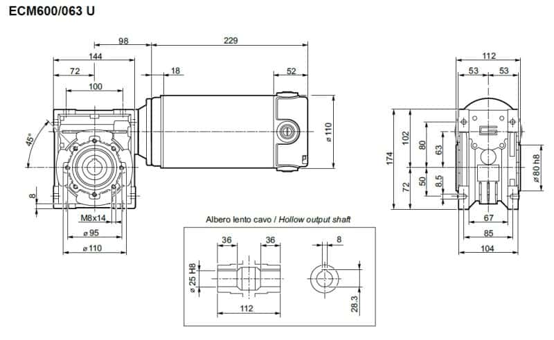
- Diamètre de sortie arbre creux: 25mm
- Lubrification à vie: huile synthétique
Moteur
- Moteur Transtecno EC600-240
- Utilisation intermittente « S2 »: 800W 47.2 A (30 min max)
- Utilisation continue « S1 »: 600W 35.5 A
- Protection: IP40
- Diamètre moteur: 110 mm
Couples de sortie et facteur de sûreté selon la vitesse de sortie et l’indice choisi:
Attention! pour sf < 1, il est impératif de limiter le couple moteur, en utilisant une carte de commande électronique PLN
| vitesse de sortie
tour / min |
couple de sortie
Nm |
facteur de sureté
sf |
indice
i |
| 187 | 33 | >3 | 15 |
| 140 | 43 | 2.4 | 20 |
| 112 | 53 | 1.8 | 25 |
| 93 | 60 | 2.1 | 30 |
| 70 | 77 | 1.4 | 40 |
| 56 | 93 | 1.1 | 50 |
| 47 | 107 | 0.9 | 60 |
| 35 | 132 | 0.7 | 80 |
| 28 | 114 | 0.7 | 100 |
Vous pouvez vous reporter à notre rubrique sur les réducteurs de vitesses pour en savoir plus.
Masse totale (hors emballage): 13.2 kg
Accessoires en option:
TCM063SZ: sortie arbre plein simple (gauche ou droite)
TCM063DZ: sortie arbre plein gauche et droite
TCM063F: bride de sortie F
Le plan du motoréducteur CM 63 est donné ci-dessous à titre indicatif :

Dimensions non contractuelles