Description
Motoréducteur roue et vis Transtecno CM050 500W 24V continu 28tr/min
Transtecno Motoréducteur 24 Volts ECM350-050 roue et vis 500W réalisé par l’assemblage d’un réducteur et d’un moteur continu. Le réducteur est étanche et lubrifié à vie par une huile synthétique longue durée. L’ensemble peut se monter dans toutes le positions aussi bien verticales que horizontales. De plus, il peut être piloté avec un variateur de vitesse spécifique. Enfin, vous pouvez vous procurez en option sur notre site des kits de sortie: bride, arbre plein simple et double et bras de réaction pour votre Transtecno motoréducteur ECM350-050.
Transtecno Motoréducteur 24 Volts ECM350-050 roue et vis 500W – Données techniques:
Type : ECM350-050 240
Réducteur
- Type: CM50
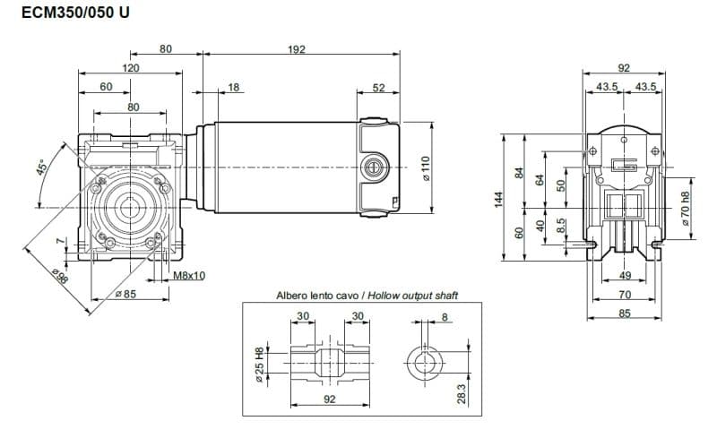
- Diamètre de sortie arbre creux: 25mm
- Lubrification à vie: huile synthétique
Moteur:
- Moteur Transtecno EC350-240
- Utilisation intermittente « S2 »: 500W 29.4 A (limité à 30 min)
- Utilisation continue « S1 »: 350W 21 A
- Protection: IP40
- Diamètre moteur: 110 mm
Couples de sortie et facteur de sûreté selon la vitesse de sortie et l’indice choisi:
Attention! pour sf < 1, il est impératif de limiter le couple moteur, en utilisant une carte de commande électronique PLN
| vitesse de sortie
tour / min |
couple de sortie
Nm |
facteur de sureté
sf |
indice
i |
| 187 | 21 | 3.0 | 15 |
| 140 | 27 | 2.1 | 20 |
| 112 | 33 | 1.6 | 25 |
| 93 | 37 | 1.8 | 30 |
| 70 | 47 | 1.3 | 40 |
| 56 | 57 | 1.0 | 50 |
| 47 | 65 | 0.8 | 60 |
| 35 | 66 | 0.7 | 80 |
| 28 | 61 | 0.7 | 100 |
Vous pouvez vous reporter à notre rubrique sur les réducteurs de vitesses pour en savoir plus.
Masse totale (hors emballage): 8.5 kg
Accessoires en option:
TCM050SZ: sortie arbre plein simple (gauche ou droite)
TCM050DZ: sortie arbre plein gauche et droite
TCM050F: bride de sortie F
Le plan du motoréducteur CM050 roue et vis est donné ci-dessous à titre indicatif :

Dimensions non contractuelles