Description
Motoréducteur roue et vis Transtecno CM040 800W 12V continu 280tr/min
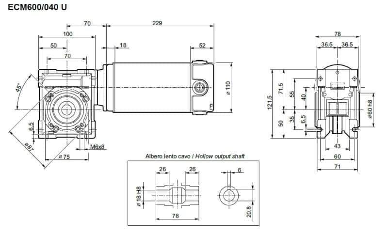
Le motoréducteur ECM Transtecno à roue et vis 800W 120V continu est réalisé par l’assemblage d’un réducteur et d’un moteur continu. Le réducteur est étanche et lubrifié à vie par une huile synthétique de longue durée. L’ensemble peut se monter dans toutes le positions aussi bien verticales que horizontales. Enfin, vous pouvez vous procurez en option sur notre site des kits de sortie: bride, arbre plein simple et double et bras de réaction pour votre motoréducteur ECM Transtecno.
Motoréducteur ECM Transtecno roue et vis 800W 12V continu – Données techniques:
Type: ECM600-040
Réducteur Transtecno CM040
Le diamètre de sortie arbre creux: 18mm
Lubrification à vie: huile synthétique
Moteur
- Moteur Transtecno EC600-120
- Utilisation intermittente « S2 »: 800W 94.4 A (limitée à 30 min)
- Utilisation continue « S1 »: 600W 71.0 A
- Protection: IP40
- Diamètre moteur: 110 mm
Vous pouvez trouver ci-dessous les couples de sortie et facteur de sûreté selon la vitesse de sortie et l’indice choisi:
Attention! pour sf < 1, il est impératif de limiter le couple moteur, en utilisant une carte de commande électronique PLN
| vitesse de sortie
tour / min |
couple de sortie
Nm |
facteur de sureté
sf |
indice
i |
| 560 | 11 | 2.5 | 5 |
| 380 | 17 | 1.8 | 7.5 |
| 280 | 22 | 1.5 | 10 |
| 187 | 32 | 1.1 | 15 |
| 140 | 42 | 0.7 | 20 |
| 112 | 40 | 0.7 | 25 |
| 93 | 54 | 0.7 | 30 |
| 70 | 49 | 0.7 | 40 |
Vous pouvez vous reporter à notre rubrique sur les réducteurs de vitesses pour en savoir plus.
La masse totale est de (hors emballage): 9.3
Ci-dessous les accessoires en option:
TCM040SZ: sortie arbre plein simple (gauche ou droite)
TCM040DZ: sortie arbre plein gauche et droite
TCM040F: bride de sortie F
Le plan du motoréducteur CM 040 est donné ci-dessous à titre indicatif :
