Description
Motoréducteur roue et vis Transtecno CM040 350W 12V continu 56tr/min
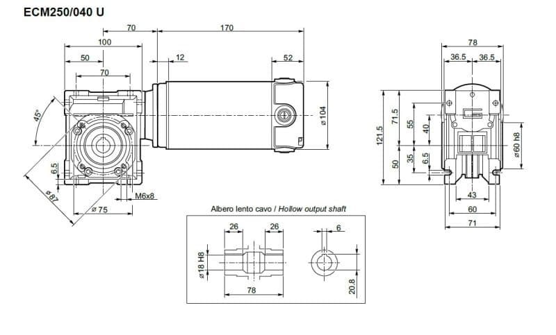
Motoréducteur roue vis 12V Transtecno ECM250/40U. Ce motoréducteur est réalisé par l’assemblage d’un réducteur CM040 et d’un moteur continu EC250/120. Le réducteur est étanche et lubrifié à vie par une huile synthétique longue durée. L’ensemble peut se monter dans toutes les positions aussi bien verticales que horizontales. De plus, il peut être piloté avec un variateur de vitesse spécifique. Enfin, vous pouvez vous procurez en option sur notre site des kits de sortie: bride, arbre plein simple et double et bras de réaction pour votre motoréducteur 12V.
Motoréducteur roue vis 12 Volts Transtecno ECM250/40 U – Données techniques:
Marque : Transtecno
Type : ECM250/040 U
Réducteur
- Type: CM040
- Diamètre de sortie arbre creux: 18mm
- Lubrification à vie: huile synthétique
Moteur
- Moteur Transtecno EC250-120
- Utilisation intermittente « S2 »: 350W 38.5 A (limitée à 30 min)
- Utilisation continue « S1 »: 250W 30.0 A
- Protection: IP40
- Diamètre moteur: 104 mm
Couples de sortie et facteur de sûreté selon la vitesse de sortie et l’indice choisi:
Attention! pour sf < 1, il est impératif de limiter le couple moteur, en utilisant une carte de commande électronique PLN
| vitesse de sortie
tour / min |
couple de sortie
Nm |
facteur de sureté
sf |
indice
i |
| 187 | 14 | 2.5 | 15 |
| 140 | 18 | 1.7 | 20 |
| 112 | 22 | 1.3 | 25 |
| 93 | 26 | 1.5 | 30 |
| 70 | 33 | 1.0 | 40 |
| 56 | 38 | 0.8 | 50 |
| 47 | 44 | 0.7 | 60 |
| 35 | 38 | 0.7 | 80 |
| 28 | 35 | 0.7 | 100 |
Vous pouvez vous reporter à notre rubrique sur les réducteurs de vitesses pour en savoir plus.
Masse totale (hors emballage) : 6.6 kg
Accessoires en option:
TCM040SZ: sortie arbre plein simple (gauche ou droite)
TCM040DZ: sortie arbre plein gauche et droite
TCM040F: bride de sortie F
Le plan du motoréducteur CM040 12V roue et vis est donné ci-dessous à titre indicatif :

Dimensions non contractuelles