Description
Motoréducteur roue et vis Transtecno CM040 250W 24V continu 47tr/min
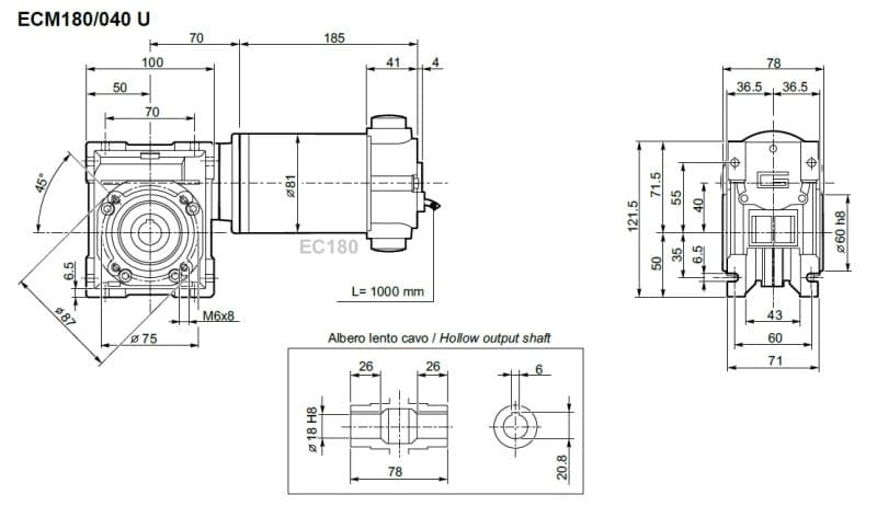
Motoréducteur Transtecno 24 Volts ECM180/40U à roue et vis. Ce motoréducteur est réalisé par l’assemblage d’un réducteur CM040 et d’un moteur continu EC180/240. Le réducteur est étanche et lubrifié à vie par une huile synthétique longue durée. L’ensemble peut se monter dans toutes les positions aussi bien verticales que horizontales. De plus, il peut être piloté avec un variateur de vitesse spécifique vendu sur notre boutique. Enfin, vous pouvez vous procurez en option sur notre site des kits de sortie: bride, arbre plein simple et double et bras de réaction pour votre motoréducteur Transtecno 24Volts.
Motoréducteur Transtecno 24 Volts ECM180/40 U à roue et vis – Données techniques:
Marque : Transtecno
Type : ECM180/040 U
Réducteur
- Type: CM040
- Diamètre de sortie arbre creux: 18mm
- Lubrification à vie: huile synthétique
Moteur
- Moteur Transtecno EC180-240
- Utilisation intermittente « S2 »: 250W 15.0 A (limitée à 25 min)
- Utilisation continue « S1 »: 180W 10.8 A
- Protection: IP40
- Diamètre moteur: 81 mm
Couples de sortie et facteur de sûreté selon la vitesse de sortie et l’indice choisi:
Attention! pour sf < 1, il est impératif de limiter le couple moteur, en utilisant une carte de commande électronique PLN
| vitesse de sortie
tour / min |
couple de sortie
Nm |
facteur de sureté
sf |
indice
i |
| 187 | 10 | >3 | 15 |
| 140 | 13 | 2.3 | 20 |
| 112 | 16 | 1.8 | 25 |
| 93 | 18 | 2.1 | 30 |
| 70 | 23 | 1.5 | 40 |
| 56 | 27 | 1.2 | 50 |
| 47 | 32 | 0.9 | 60 |
| 35 | 38 | 0.7 | 80 |
| 28 | 34 | 0.7 | 100 |
Vous pouvez vous reporter à notre rubrique sur les réducteurs de vitesses pour en savoir plus.
Masse totale (hors emballage) : 9.0 kg
Accessoires en option:
TCM040SZ: sortie arbre plein simple (gauche ou droite)
TCM040DZ: sortie arbre plein gauche et droite
TCM040F: bride de sortie F
Le plan du motoréducteur CM040 roue et vis est donné ci-dessous à titre indicatif :
