Description
Motoréducteur roue et vis Transtecno CM030 500W 24V continu 560tr/min
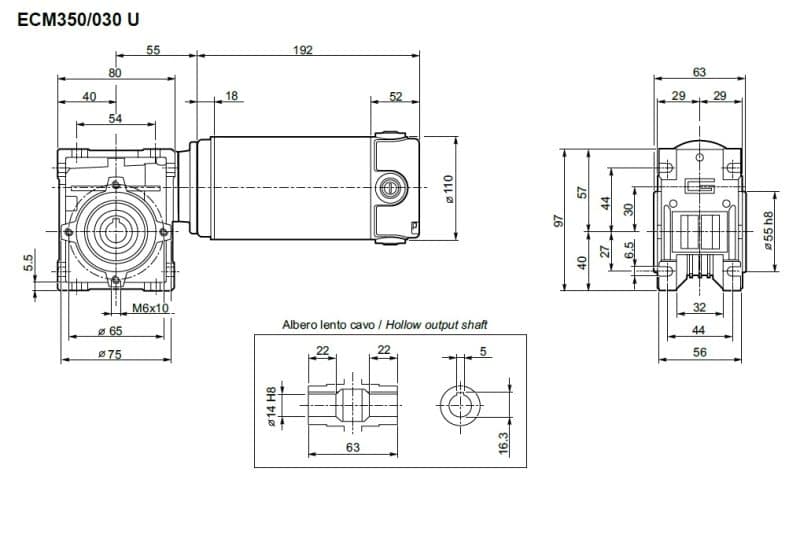
Motoréducteur 24 Volts Transtecno ECM350/30U à roue et vis. Ce motoréducteur est réalisé par l’assemblage d’un réducteur CM030 et d’un moteur continu EC350-240. Le réducteur est étanche et lubrifié à vie par une huile synthétique longue durée. L’ensemble peut se monter dans toutes les positions aussi bien verticales que horizontales. De plus, il peut être piloté avec un variateur de vitesse spécifique. Enfin, vous pouvez vous procurez en option sur notre site des kits de sortie: bride, arbre plein simple et double et bras de réaction pour votre motoréducteur 24 Volts.
Motoréducteur 24 Volts Transtecno ECM350/30 U à roue et vis – Données techniques:
Marque : Transtecno
Type : ECM350/030 U
Réducteur
- Type: CM030
- Diamètre de sortie arbre creux: 14mm
- Lubrification à vie: huile synthétique
Moteur
- Moteur EC350-240
- Utilisation intermittente « S2 »: 500W 29.4 A (limitée à 30 min)
- Utilisation continue « S1 »: 350W 21.0 A
- Protection: IP40
- Diamètre moteur: 110 mm
Couples de sortie et facteur de sûreté selon la vitesse de sortie et l’indice choisi:
Attention! pour sf < 1, il est impératif de limiter le couple moteur, en utilisant une carte de commande électronique PLN
| vitesse de sortie
tour / min |
couple de sortie
Nm |
facteur de sureté
sf |
indice
i |
| 560 | 7.1 | 1.8 | 5 |
| 380 | 11 | 1.4 | 7.5 |
| 280 | 14 | 1.2 | 10 |
| 187 | 20 | 0.8 | 15 |
| 140 | 20 | 0.7 | 20 |
| 112 | 21 | 0.7 | 25 |
| 93 | 26 | 0.7 | 30 |
| 70 | 23 | 0.7 | 40 |
| 56 | 21 | 0.7 | 50 |
Vous pouvez vous reporter à notre rubrique sur les réducteurs de vitesses pour en savoir plus.
Masse totale (hors emballage) : 6.6 kg
Accessoires en option:
TCM030SZ: sortie arbre plein simple (gauche ou droite)
TCM030DZ: sortie arbre plein gauche et droite
TCM030F: bride de sortie F
Le plan du motoréducteur CM030 est donné ci-dessous à titre indicatif :

Dimensions non contractuelles