Description
Motoréducteur roue et vis Transtecno CM030 250W 12V continu 056tr/min
Motoréducteur Transtecno 12 Volts ECM180/30U à roue et vis. Ce motoréducteur est réalisé par l’assemblage d’un réducteur CM030 et d’un moteur continu EC180/120. Le réducteur est étanche et lubrifié à vie par une huile synthétique longue durée. L’ensemble peut se monter dans toutes les positions aussi bien verticales que horizontales. De plus, il peut être piloté avec un variateur de vitesse spécifique. Enfin, vous pouvez vous procurez en option sur notre site des kits de sortie: bride, arbre plein simple et double et bras de réaction pour votre motoréducteur Transtecno 12V.
Motoréducteur Transtecno ECM180/30 U 12V à roue et vis – Données techniques:
Marque : Transtecno
Type : ECM180/030 U
Réducteur
- Type: CM030
- Diamètre de sortie arbre creux: 14mm
- Lubrification à vie: huile synthétique
Moteur
- Moteur Transtecno EC180-120
- Utilisation intermittente « S2 »: 250W 30.0 A (limitée à 30 min)
- Utilisation continue « S1 »: 180W 21.5 A
- Protection: IP40
- Diamètre moteur: 80 mm
Couples de sortie et facteur de sûreté selon la vitesse de sortie et l’indice choisi:
Attention! pour sf < 1, il est impératif de limiter le couple moteur, en utilisant une carte de commande électronique PLN
| vitesse de sortie
tour / min |
couple de sortie
Nm |
facteur de sureté
sf |
indice
i |
| 560 | 3.5 | >3 | 5 |
| 380 | 5.3 | 2.9 | 7.5 |
| 273 | 6.8 | 2.3 | 10 |
| 187 | 10 | 1.6 | 15 |
| 140 | 13 | 1.1 | 20 |
| 112 | 16 | 1.0 | 25 |
| 93 | 18 | 1.0 | 30 |
| 70 | 22 | 0.7 | 40 |
| 56 | 21 | 0.7 | 50 |
| 47 | 20 | 0.7 | 60 |
| 35 | 17 | 0.7 | 80 |
| 28 | 16 | 0.7 | 100 |
Vous pouvez vous reporter aux article: Comment choisir un motoréducteur? et Réducteurs de vitesses- notions pratiques pour en savoir plus.
Masse totale (hors emballage) : 4.5 kg
Nous proposons de nombreux accessoires en option et des cartes de commande pour le motoréducteur 12 Volts:
TCM030SZ: sortie arbre plein simple (gauche ou droite)
TCM030DZ: sortie arbre plein gauche et droite
TCM030F: bride de sortie F
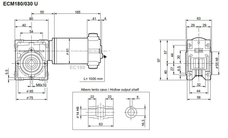
Le plan du motoréducteur ECM 180/030U est donné ci-dessous à titre indicatif :

Dimensions non contractuelles